Külső menetes préselhető terminál

► Mini KW (Ø 3-10 mm)
Premium

ASS Mini KW

 

cikkszám  kötél Ø
mm
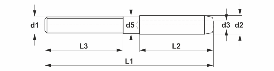
méretek (mm)
jobb menettel balmenettel d1 d2 d3 d5 L1 L2 L3
311014005 311015005 3 M5 6,3 3,3 5,5 48 18 25
311014006 311015006 4 M6 7,5 4,3 6,4 59 24 30
311014008 311015008 5 M8 9 5,3 7,8 68 30 30
311014010 311015010 6 M10 12,5 6,3 10,8 84 36 40
311014012 311015012 8 M12 16 8,3 14 115 55 50
311014016 311015016 10 M16 17,8 10,5 15,5 142 70 60
A cikkszámokra kattintva a termék(ek) az ajánlatkérés menüben listázásra kerülnek.
H-1239 Budapest Grassalkovich út 214-216.
+36-1/286-0205
texem@texem.hu
H-4030 Debrecen, Rigó u. 64-66.
+36-52-523-870
texem@texem.hu
H-3529 Miskolc, Írisz u. 4.
+36-46-322-673
texem@texem.hu